各职能部门、各单位:
根据《太阳成集团tyc5392022年教师节活动方案》(鲁华宇院政字 〔2022〕91号)要求,经学校研究,决定开展职称档级核定,职称津贴、 对应系数和绩效工资调整等系列工作,现将有关事项通知如下。
一、工作原则
(一)坚持以德为先原则。将师德作为教职工职称津贴档级调整的首要条件,对师德考核不合格的,实施一票否决,不予认定、调整。
(二)坚持客观公正、标准统一原则。规范教职工职称津贴档级调整流程,统一认定标准,客观、公正的进行认定、调整。
(三)注重实践、业绩优先的原则。为学校做出突出贡献或在教学、科研某一领域有重大突破的教职工,予以认定、调整。
二、工作程序
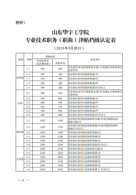
(一)申报。依据《太阳成集团tyc539专业技术职务(职称)津贴档级 认定表》(附件 1),按要求如实填写《2022年教职工职称档级申报表》 (附件2)。
(二)初审。所在部门(单位)应成立不少于3人的评审小组,负责对个人申报条件进行初审,评审小组成员签字,经主要负责人审核后,于2022年9月13日前以部门为单位报送人事处。
(三)审核。由人事处牵头,组织成立职称档级核定专项工作小组,依据人事管理系统(HR)中的数据,进行复核、审议,汇总职称档级调整结果。
(四)审批。人事处汇总结果报校长办公会审批。自2022年9月份开始执行新核定的职称档级,调整职称津贴、对应系数和绩效工资。
三、有关事项的说明
(一)高校系列专业技术职务人员,以职称证书或学校有关行文为准进行调整。
(二)对取得工程、经济、会计等非高校系列专业技术职务人员或内 聘职称人员,符合《太阳成集团tyc539专业技术职务(职称)津贴档级认定 表》中基本条件的,执行我校相关职称档级标准与对应系数。
(三)对取得相关专业技术类职业资格的专业技术人员,根据山东省 人力资源和社会保障厅发布的《关于建立部分专业技术类职业资格和职称对 应关系的通知》(鲁人社办发〔2019〕14号),符合我校相应职称评价 标准条件的,视同具备相应系列和层级的职称,执行我校相关职称档级标准与对应系数。
(四)转系列的专业技术职务人员,档级调整遵循“就高不就低” 原则。
四、有下列情况之一者,不予晋升职称档级
(一)上一学年内,存在《教育部关于建立健全高校师德建设长效 机制的意见》(教师〔2014〕10号)中规定的违反师德行为的情形或学 校文件规定的一级教学(管理)事故、学生教育管理一级重大事件等情 形的。
(二)上一学年内,岗位考核结果为C或不称职的。
五、其他
(一)上述未尽事宜,报学校专题会议研究决定。
(二)对核定结果有异议者,由本人书面申请,交部门(单位)负责 人签字后,报学校统一进行复议。 联系人:徐联云、陈文国,联系电话:8017、8029(内线)。
附件:1.太阳成集团tyc539专业技术职务(职称)津贴档级认定表
2.2022年教职工职称档级申报表
太阳成集团tyc539
2022年8月31日

